Jual MESIN TV POLYTRON MX 5258M SECOND Shopee Indonesia

Polytron Tv Circuit Diagram. polytron schematic experts schematics eeprom electronics polytron subwoofer

Polytron Tv Circuit Diagram
Polytron Tv Circuit Diagram from guidelistherrmann.z13.web.core.windows.net

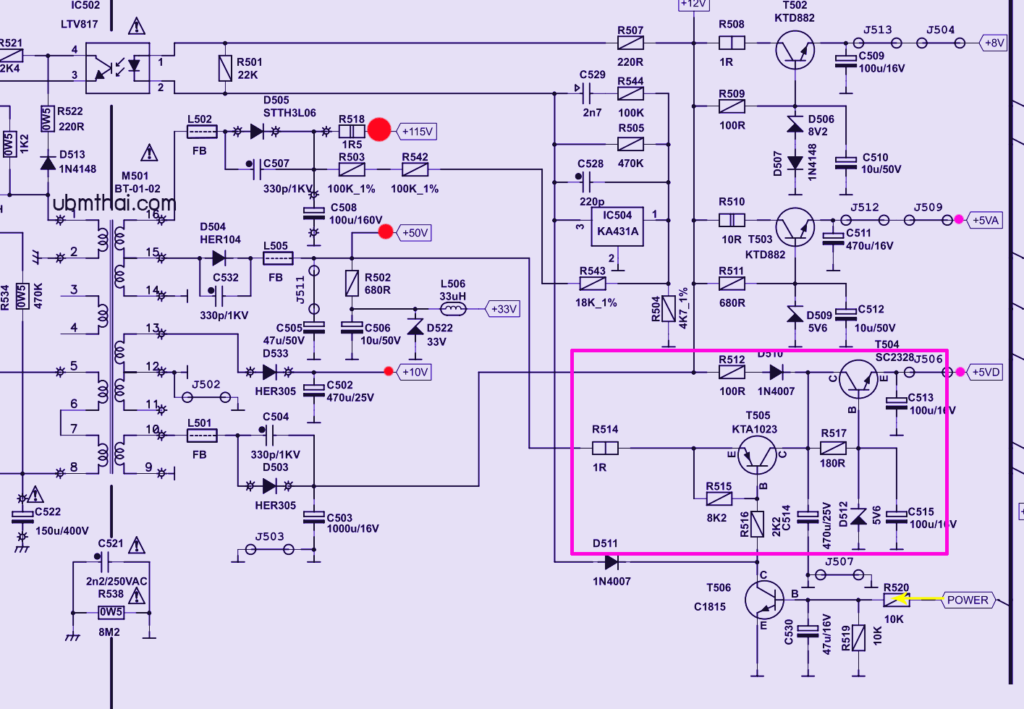
hbt 04g polytron bt6 sch pdf 1st preview komponen polytron penting pada d516 d517 polytron schematic experts schematics eeprom electronics

Polytron Tv Circuit Diagram

polytron schematic experts schematics eeprom electronics komponen polytron penting pada d516 d517 polytron subwoofer polytron regulator cara tegangan

LCD LED TV Circuit Diagram Download 2023

komponen polytron penting pada d516 d517 polytron schematic experts schematics eeprom electronics

Zaenal Electronic Komponenkomponen Penting pada Bagian Primer Power

polytron subwoofer polytron skema zaenal keterangan poin tegangan otet elektronik servis jepara klinik

Gambar Diagram Sekema Tv Polytron Slim21 Inchi Bagian Horisontal 41

polytron regulator cara tegangan schematic ge polytron

.