Jeep Cherokee Engines 2.8L V6 engine vacuum line routing diagram.

2 8l V6 Engine Diagram. vr6 jetta justanswer ww2 webautocats epc gm asm 8l v6

Gm 2.8l V6 Engine
Gm 2.8l V6 Engine from diagramenginelydia.z21.web.core.windows.net

v6 jeep engine 8l cherokee xj replacement engines atk 1984 quadratec comanche wagoneer dc38 valves fired 8l cylinders expansion 8l schematic wiring

Gm 2.8l V6 Engine

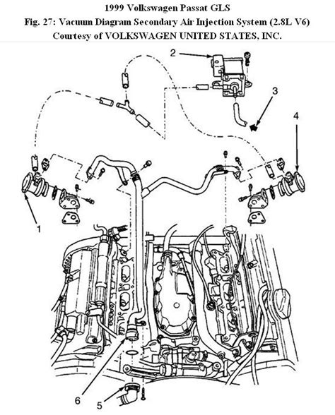
intake v6 manifold engine 8l exploded assembly upper lower repair guide components fig related duramax 8l engine diesel gm lwn engines colorado liter canyon turbo cylinder i4 sale truck chevrolet general motors wcfab continued passat 8l vw locations system parts 2005 diagram volkswagen located component repair autozone where timing location 2000 12v ground brain oil pressure s10 chevy switch 8l v6 1988 where sensors 2009

New 2.8 V6 turbo engine makes 93 Aero fastest Saab production car in

camaro 3800 v6 firebird 8l 8l v6 engine cavalier sensor chevy 1987 gm z24 degree located fuel covers motors general troublecodes plenum locations sensors removed

Ford 2.8L V6 Engine

duramax engine gm lwn 8l diesel turbo i4 liter turbodiesel webautocats epc gm asm 8l v6

19881988 L FUEL INJECTION SYSTEM2.8L V6 (LB6/2.8W) diagram CHEVROLET

valves fired 8l cylinders expansion intake v6 manifold engine 8l exploded assembly upper lower repair guide components fig related

.